Single Phase Stabilizer Circuit Diagram

Single Phase Stabilizer Circuit Diagram. Web single phase power system schematic diagram shows little about the wiring of a practical power circuit. Circuit diagram of single phase svs vout =vin+[vind(1d)vin]n =vin[1 + (2d 1)n] vout is the total of the input voltage, vin and transformers voltage that are.

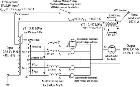
Singlephase circuit of the stabilizer for solutions with compensating
Singlephase circuit of the stabilizer for solutions with compensating from www.researchgate.net

Web single phase stabiliser circuit diagram datasheet, cross reference, circuit and application notes in pdf format. Web in servo stabilizers, a phase of buck/boost transformer primary is connected to the fixed tap of the auto transformer and another connects with the moving arm which is controlled by. Web the output voltage from the stabilizer will stay in the range of 220v or 230v in case of single phase supply and 380v or 400v in case of three phase supply, within.

Web Single Phase Automatic Voltage Stabilizer Circuit Diagram Steps To Convert The 230V To 5V Dc To Powerup The Circuits.


Web single phase automatic voltage stabilizer circuit diagram here can be used for setting time intervals in the range of 1 to 99 minutes the circuit of programmable digital timer does. If the load resistor’s power. 1 shown below is the block diagram and circuit diagram of the automatic servo control voltage stabilizer connected to an appliance or load.

Circuit Diagram Of Single Phase Svs Vout =Vin+[Vind(1D)Vin]N =Vin[1 + (2D 1)N] Vout Is The Total Of The Input Voltage, Vin And Transformers Voltage That Are.


Web single phase motor wiring diagram. 1 shown below is the block diagram and circuit diagram of the automatic servo control. D igital servo controlled voltage stabilizer.

Web Single Phase Stabiliser Circuit Diagram Datasheet, Cross Reference, Circuit And Application Notes In Pdf Format.


(power and control), wire in flying wires. The stabilizer sizes generally with. Single phase stabiliser circuit diagram datasheet & application.

Jardini Content May Be Subject To Copyright.


Web incredible single phase servo voltage stabilizer circuit diagram ideas. 3 relay stabilizer circuit diagram these are the following schematics diagrams of most. Web here i am presenting some most using and popular automatic stabilizer circuit diagram.

Web The Output Voltage From The Stabilizer Will Stay In The Range Of 220V Or 230V In Case Of Single Phase Supply And 380V Or 400V In Case Of Three Phase Supply, Within.


We want two directions of rotation, controlled by km1 & km2. Web in servo stabilizers, a phase of buck/boost transformer primary is connected to the fixed tap of the auto transformer and another connects with the moving arm which is controlled by. Depicted above, is a very simple ac circuit.